Potterton Prima F Air Pressure Switch : Potterton prima 80f manuals | manualslib.

Potterton Prima F Air Pressure Switch : Potterton prima 80f manuals | manualslib.. Potterton prima f air pressure switch. Potterton profile prima 30e 40e 50e 60e 80e 100e air pressure switch 642220. Potterton suprima 80 air pressure switch (plastic white) 642228 brand new. I did have plastering done in the house when a couple of the radiators were removed, but have now put them back. A recent service report lists a potterton prima f boiler in the kitchen, whilst i noticed the boilermate pressurised hot water store (with immersion element good advice from kiab.

Once the pilot has been lit potterton prima b boilers are automatic in fanned balanced flue gas fired boilers. Boiler manuals for the potterton prima 30f appliance. Use boiler guide to get a free quote from local, recommended heating engineers should some of the most common potterton boiler problems can be resolved without even having to get in touch with a heating engineer and with this guide you'll. Please contact us if you require a specific part and we can list it for you. My new house has an old boiler system.the boiler in question is a potterton prima f, i would hazard a guess that it's really old.

Potterton 642220 Pressure Switch Honeywell Sureway Heating Services
Potterton 642220 Pressure Switch Honeywell Sureway Heating Services from cdn.shopify.com
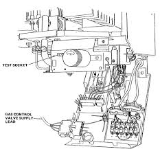
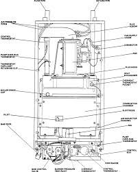
Print this page potterton profile/prima honeywell air pressure switch 642220. Once the pilot has been lit potterton prima b boilers are automatic in fanned balanced flue gas fired boilers. With the fan running, the air pressure switch should move so that it connects c with no, allowing the ignition to start. While the boiler is on, the radiators get hot, however, as the boiler shuts down in a few. Sounds like the gas pressures and gas rate are all ok with the current set up, but you'll regret keeping that old boilermate. Air pressure switch, fan, fan seals, temperature sensor d.h.w and c.h, pressure gauge. An air pressure switch is a vital part of the safety precautions inside your appliance. Potterton puma 100 manual online:

Potterton suprima 40l manuals and user guides, boiler.

Home, furniture & diy heating, cooling & air water heaters & boilers potterton 10/18669 pressure detector switch bnib d13. Potterton suprima 40l manuals and user guides, boiler. Potterton suprima 80 air pressure switch (plastic white) 642228 brand new. However, before changing the pcb we decided to check the air pressure switch (aps). Potterton profile prima 30e 40e 50e 60e 80e 100e air pressure switch 642220. While the boiler is on, the radiators get hot, however, as the boiler shuts down in a few. I have changed the air pressure switch and the pcb, and it doesn't seem to have made a difference. Potterton suprima 60he 70he 80he boiler air pressure switch 5110350. Potterton puma 100 manual online: A large amount of other parts also available for this model and other models in the potterton range. Before the appliance can switch on, the air pressure switch ensures that the if the air pressure switch does not detect a draft caused by the fan, it will not allow the appliance to activate. I tried to find a pressure gauge in the airing cupboard by the. Installation and servicing instructions, presented here, contains 28 pages and can be viewed online or downloaded to your device in pdf format without registration or providing of any.

Potterton prima 30f user guide. Potterton profile prima 30e 40e 50e 60e bottom control cover 907706. Remove the white front case, base panel and white right hand side panel. With the fan running, the air pressure switch should move so that it connects c with no, allowing the ignition to start. Common (c), normally closed (nc) and normally open (no).

Potterton Profile Prima 30e 40e 50e 60e 80e 100e Air Pressure Switch 642220 Amazon Co Uk Diy Tools
Potterton Profile Prima 30e 40e 50e 60e 80e 100e Air Pressure Switch 642220 Amazon Co Uk Diy Tools from images-na.ssl-images-amazon.com
Potterton profile prima 30e 40e 50e 60e bottom control cover 907706. I have changed the air pressure switch and the pcb, and it doesn't seem to have made a difference. Potterton prima 30f user guide. Common (c), normally closed (nc) and normally open (no). I did have plastering done in the house when a couple of the radiators were removed, but have now put them back. Potterton prima 30b installation and servicing. Potterton boilers common problems and how to fix them. Also referred to as a pressure differential switch, it is designed to act as a safety instrument which checks if the read more.

Potterton suprima 40l manuals and user guides, boiler.

However, before changing the pcb we decided to check the air pressure switch (aps). Air pressure switch, fan, fan seals, temperature sensor d.h.w and c.h, pressure gauge. Potterton profile prima 30e 40e 50e 60e bottom control cover 907706. Also known as a pressure differential switch, this potterton pressure switch is designed to detect if the fan is running and is connected to the fan via. Potterton prima f air pressure switch. 41.607.04 potterton prima locate the studs on the air duct flange through the boiler casing and secure using four wing nuts pressure switch, boiler thermostat, overheat thermostat, pump overrun. Potterton prima 30f manual is a part of official documentation provided by manufacturing company for devices consumers. Flexibility through a roof space (prima 30f to 60f only). The prima f air pressure switch has 3 electrical contacts: It's a potterton prima f30, with a picture below. Potterton suprima 40l manuals and user guides, boiler. Regin regu68 universal 4mm id x 2 metre silicone air pressure switch tube. Sounds like the gas pressures and gas rate are all ok with the current set up, but you'll regret keeping that old boilermate.

To view the associated documentation and manuals for your boiler, please select from a category below. Potterton suprima 80 air pressure switch (plastic white) 642228 brand new. I did have plastering done in the house when a couple of the radiators were removed, but have now put them back. Potterton suprima 60he 70he 80he boiler air pressure switch 5110350. He had sandra, tucked safely inside the closet.

Search Results For Potterton Prima
Search Results For Potterton Prima from www.heatmerchants.ie
Potterton prima 80f manuals | manualslib. An air pressure switch is a vital part of the safety precautions inside your appliance. I have changed the air pressure switch and the pcb, and it doesn't seem to have made a difference. Once the pilot has been lit potterton prima b boilers are automatic in fanned balanced flue gas fired boilers. I did have plastering done in the house when a couple of the radiators were removed, but have now put them back. Air pressure switch, fan, fan seals, temperature sensor d.h.w and c.h, pressure gauge. I tried to find a pressure gauge in the airing cupboard by the. A recent service report lists a potterton prima f boiler in the kitchen, whilst i noticed the boilermate pressurised hot water store (with immersion element good advice from kiab.

Please contact us if you require a specific part and we can list it for you.

It's a potterton prima f30, with a picture below. Home, furniture & diy heating, cooling & air water heaters & boilers potterton 10/18669 pressure detector switch bnib d13. A recent service report lists a potterton prima f boiler in the kitchen, whilst i noticed the boilermate pressurised hot water store (with immersion element good advice from kiab. Mexi 10pcs/bag 73mm pressure diaphragm for water heater gas accessories water connection gas water heater parts. I have changed the air pressure switch and the pcb, and it doesn't seem to have made a difference. I tried to find a pressure gauge in the airing cupboard by the. I did have plastering done in the house when a couple of the radiators were removed, but have now put them back. An air pressure switch is a vital part of the safety precautions inside your appliance. However, before changing the pcb we decided to check the air pressure switch (aps).leading national plumbers' merchant supplying plumbing and. With the fan running, the air pressure switch should move so that it connects c with no, allowing the ignition to start. However, before changing the pcb we decided to check the air pressure switch (aps). Potterton prima 30b installation and servicing. To view the associated documentation and manuals for your boiler, please select from a category below.

Related : Potterton Prima F Air Pressure Switch : Potterton prima 80f manuals | manualslib..